US12603417 - Wearable device and communication method

This patent describes a wearable device that integrates a flexible layer with a fabric element and a metal resonant structure, alongside a detachable layer with a dielectric substrate and a second metal resonant structure. The device is designed to guide received RF signals from the flexible layer to the detachable layer for enhanced communication capabilities.
Claim 1
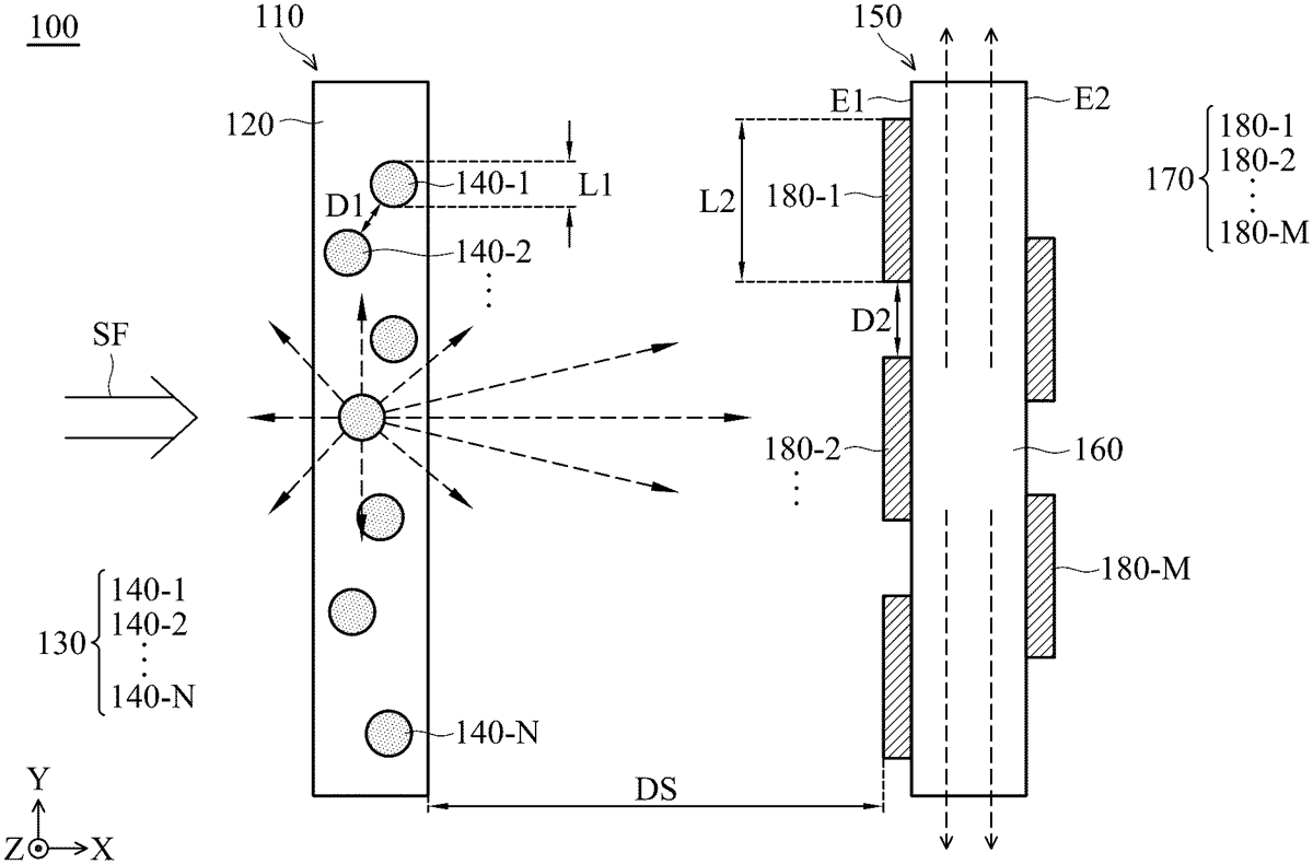
1 . A wearable device, comprising: a flexible wearable layer, comprising: a fabric element; and a first metal resonant structure, integrated with the fabric element; and a detachable layer, disposed adjacent to the flexible wearable layer, and comprising: a dielectric substrate, having a first surface and a second surface opposite to each other; and a second metal resonant structure, distributed over the first surface and the second surface of the dielectric substrate; wherein when the wearable device receives an RF (Radio Frequency) signal, the flexible wearable layer guides the RF signal to the detachable layer. a flexible wearable layer, comprising: a fabric element; and a first metal resonant structure, integrated with the fabric element; and a fabric element; and a first metal resonant structure, integrated with the fabric element; and a detachable layer, disposed adjacent to the flexible wearable layer, and comprising: a dielectric substrate, having a first surface and a second surface opposite to each other; and a second metal resonant structure, distributed over the first surface and the second surface of the dielectric substrate; a dielectric substrate, having a first surface and a second surface opposite to each other; and a second metal resonant structure, distributed over the first surface and the second surface of the dielectric substrate; wherein when the wearable device receives an RF (Radio Frequency) signal, the flexible wearable layer guides the RF signal to the detachable layer.
Google Patents
https://patents.google.com/patent/US12603417
USPTO PDF
https://image-ppubs.uspto.gov/dirsearch-public/print/downloadPdf/12603417